参数
HC.KCS系列快這容性无触点开关是电力电子产品,可使用此产品将电力电容器负荷连接到电网。该产晶专用于需要安装开关装和控制装量的场合,可实现纯电容威串抗分步补偿系统的快達投切。不仅可实现对称三相电流的补偿,也可以对电网进行单相电流分步补偿。
-保护级别Ⅰ
-控制输入: DC8-18V
-距离EN61010.2001污染等圾IICAT II
-供电电压: Un 400V 50H2/60Hz
-防护等级IP10
-负就容量:三相60kVar(0.4kV/70kVar(0.45kV) ;
环境条性:-运行温度-20C_ +55C
单相13 5kVar(023 K)/15kVar(0 25kV)
-功耗近似2W每安培
-存储温度-25C_ + 70C
-从控制输入到主电路的爬电距离>6mm
安装位1重直或水早
-额定电压Un1 百分之0
-谐波电压ThD max 百分之5
一次响应這度<20mS
尺寸: 220x115 x 205mm(H w D )
连续响应適度<40mS
重量:近拟3200g
安全项
由于设计为风腐散热。须保证空进入口的畅遭。不能盖散热器出口。须注意与附近元件的睡离,对于额定负荷. 新鲋空气与推出空气的温度差会增加40C.像电缆管道这样的温度敏感部件须用套管慢护起来。
须在串联断路设备的条件下工作。
须在满足使用条件的场合应用。
甚当KCS按照规定豪件德甩时 ,也不能避免KCS故障.在这种情况下,负载电路的电流和电压会受到影响。敬障情形下,可格会发生下富的情况:电流中断。半波运行或持续怕量流失。因此,在项日设计阶段,要慢证慢护设备设计的正确性。
操作或接线错误会导歌设备威负载的损坏。
须用带有绝缘保护的电缆接头连接。
此设备的安装,维护和服务等工作须由熟练的电工来操作完成。当KCS快 速容性无触点开关连接到供电系统时,容性负载(电容)将充电到电网电压峰值。这就意味甚当开 关断开时,负载仍是带电的,依然连接在电网上。因此,当安装和维护工作进行时,在任何情况下,都须从电网断开。否则有生命危险!
从电网断开后,容性负载中仍然有残余电压。在安装和维护工作前,须查电容器是否带电。 须考虑电容器的放电时间。
开关中已经加装有放电电阻,无须再接放电设备。
在串联有电抗器时,要充分考虑电网的复杂性,特别是针对固定次数的谐波信号进行消谐时,有可能会放大其它次数的谐波信号,建议使用带有谐波保护功能的无功补偿控制器,否则会由于电荷传导的影响而损坏本开关。
应用
HC.KCS 特别适合应用在频率和无功快速变化的负荷。与传统技术相比,KCS的优点是:
-投切速度 快
-投切时对系统的污染小
-投切时没有磨损部件
-使用寿命长,操作频率不受限.
应用领域:
-起重机设备
-提升机
-焊接设备
-制模
-风力轮机
HC.KCS可以与无功控制器, 可编程控制器,计算机系统和过程控制单元配合工作。
安装
HC.KCS可以水平或重直安装。由于强制散热,所有产性的暖空气几乎从-个方向排出。如果系统中有温度敏感元件,像电缆管道,就须用套管保护起来。 距离:风扇侧:>50mm 散热出口: > 150mm
如果垂直安装,须保证热空气从上面排出。注意:垂直安装时, 应防止异物掉入散热器中而导致风机损坏,所以在安装时须用防护板之类的物品将散热器罩住,在测试和运行前再将防护板撤除。

接线
用带绝缘层电缆接头( 8mm环)与负载电路连接时,终端接头须用5.5 - 6Nm拧紧,电缆接头须与导电完全垂直。 当放置接线时,应该保证接线不会因为散热器而升温。须设计断器 来保护半导体器件,根据所连接的容性负载来设计断器大小。 对于带电抗器保护的补偿设备,无触点开关须在电感和电容前面串联。
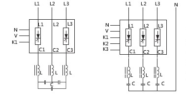
1.三相对称补偿型接线图KCS1A:
2.三相分别补偿型接线图KCS3F:
3.二次接线端子说明
N:变压器中性线(零线)
K1:共补型为三相触发端:分补型为LI相杜发端《低电平有效)
K2:分补型的L2相触发端(低电平有效)
K3:分补型的L3相触发端(低电平有效)
V:控制信号公共端
